Диагностика лопаток паровых турбин

Контроль проводится на выпуклой поверхности лопатки со стороны входа и выхода пара. Схема контроля лопаток приведена на рис.1.

Сканирование датчиком прибора типа ИКН проводится от корневого сечения лопатки к периферийному или наоборот.

Все операции по контролю лопаток рекомендуется проводить поэтапно для лопаток внутри отдельной ступени.

В процессе контроля на экране прибора типа ИКН отображаются графики распределения поля рассеяния Hр по длине лопатки. Результаты контроля записываются в энергозависимую память прибора для дальнейшей обработки на IBM-совместимом компьютере.

По результатам контроля определяются лопатки, работающие в наиболее напряженных условиях. Такими лопатками являются те, у которых линии концентрации напряжений и деформации (линии КН) расположены поперечно перу лопатки, и имеющие максимальный градиент поля Hр: Кин=dHр/dx. Значение градиента поля Кин, характеризующего уровень остаточных напряжений в лопатке, определяется автоматически и отображается на экране по вызову оператора. В методике контроля лопаток, передаваемой Заказчику, указываются предельные значения градиента поля, предшествующие образованию трещин.

Схема контроля турбинных лопаток с использованием прибора типа ИКН и сканирующего устройства Тип 2
Рис.1. Схема контроля турбинных лопаток с использованием прибора типа ИКН и сканирующего устройства Тип 2: 1, 2 - феррозондовые преобразователи; 3 - устройство измерения длины; 4 - соединительный кабель; 5 - прибор типа ИКН; 6 - лопатки.

На рис.2 представлены результаты контроля лопаток №№ 31, 32 и 33 ступени №33 ротора низкого давления (РНД) паровой турбины К-300-240 Конаковской ГРЭС с использованием метода магнитной памяти металла. Распределение поля Hр и, соответственно, градиента поля (dHр/dx), зафиксированное на лопатке № 31 (см. рис.2,а), характеризует удовлетворительное ее состояние. Из рисунков 2,б и 2,в видно, что на лопатках №32 и №33 на расстоянии 180-200 мм от корня зафиксировано резкое изменение поля Hр и, соответственно, градиента поля Кин. По имеющемуся опыту такие значения Кин близки к предельным. Следует отметить, что численные значения Кин в определённой степени зависят также от чувствительности используемых приборов контроля.

Распределение поля. Лопатка №31.
Рис.2а. Распределение поля Hр. Лопатка №31.
Распределение поля. Лопатка №32.
Рис.2б. Распределение поля Hр. Лопатка №32.
Распределение поля. Лопатка №33.
Рис.2в. Распределение поля Hр. Лопатка №33.

На рис.3 показаны участки зон концентрации напряжений с максимальной величиной градиента поля dH/dx (Кин). Выявленные зоны концентрации напряжений располагались в местах смены знака поля Hр. Линии Hр=0, показанные на рис.3, были выявлены при более подробном обследовании лопаток №32 и №33. В этих зонах концентрации напряжений следует ожидать развития повреждений лопаток, что было подтверждено металлографическим исследованием.

Линии КН, выявленные на поверхности лопаток №32 и №33: 1 - линии КН
Рис.3. Линии КН, выявленные на поверхности лопаток №32 и №33: 1 - линии КН.

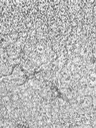
На фрагментах структуры (увеличение ×500), представленных на рис.4,а и 4,б, видно ярко выраженное коррозионно-усталостное повреждение металла, соответствующее состоянию предразрушения лопаток №32 и №33.

Следует отметить, что максимальная повреждённость структуры металла была обнаружена при исследовании именно в зонах максимального градиента поля Hр, зафиксированного при контроле вблизи линии КН. Структура металла на расстоянии всего лишь 100 мкм от линии КН удовлетворительная (см., например, фрагмент структуры, приведенный на рис.4,в для лопатки №33).

Фрагмент структуры
Рис.4a.
Фрагмент структуры
Рис.4б.
Фрагмент структуры
Рис.4в.

Из проконтролированных более чем 800 лопаток РНД с использованием метода магнитной памяти металла выявлено всего три лопатки в состоянии предразрушения. Наработка указанных лопаток на дату контроля составила ~ 200000 час.

В ходе промышленной проверки рассматриваемого метода контроля в фирме "Энергодиагностика" накоплен банк данных по количественным значениям Кин для лопаток, находящихся в состоянии предразрушения для последних ступеней турбин типа ПТ-60-130, К-100, К-200, К-300.